进程基本概念与状态切换
1.1 基本概念
- 进程是可并发执行的程序在某个数据集合中进行的一次计算活动,是操作系统分配系统CPU,进行资源调度的最小单位,线程是任务调度和执行的最小单位。
- 进程映像:程序段、数据段、PCB
- Process Control Block(PCB)进程控制块:pid时进程唯一性的标记,PCB是进程存在的唯一标志。系统通过进程的PCB了解进程的状态和相关信息,从而对进程进行管理。PCB包含进程描述信息、资源分配信息、处理机控制信息。
1.2 状态切换模型
- 三状态模型
![img-description]()
五状态模型
![img-description]()
七状态模型
![img-description]()
[注]挂起等待态→挂起就绪态:引起进程等待的事件发生之后,相应的挂起等待态进程将转换为挂起就绪态。
进程控制
2.1 进程创建
- 为进程分配一个新的Pid,并申请一个新的PCB。若无可用PCB,则申请失败。
- 为进程分配资源,即为进程的程序段、数据和用户栈分配必要的内存空间,若无足够内存资源,则进程进入阻塞态,等待内存资源充足后唤醒。
- 初始化PCB,包含进程描述信息、资源分配信息、处理机控制信息,进程优先级等。
- 将新进程插入就绪队列,等待被调度运行。
2.2 进程终止
终止分为进程正常结束,出现异常事件终止以及外界干预终止三种。
- 根据被终止的进程的Pid检索PCB,查询当前进程状态。
- 若进程处于执行状态,则立刻停止进程的执行,CPU立刻转去执行其他任务。
- 若进程有子进程,则先将其所有子进程终止。
- 子进程将拥有的资源全部归还给父进程或操作系统。
- 将该PCB从队列中删除。
2.3 进程阻塞
- 根据被终止的进程的Pid检索PCB。
- 若进程处于执行状态,则保护现场,将其转换为阻塞态,停止运行。
- 将PCB插入等待队列,CPU转去执行其他任务。
2.4 进程唤醒
- 根据被终止的进程的Pid在等待队列中检索PCB。
- 将其从等待队列中移出,变为就绪态。
- 将PCB插入就绪队列,等待被调度执行。
2.5 进程切换
- 保存CPU上下文环境
- 更新进程PCB
- 将PCB插入就绪或等待队列
- 根据调度算法选择新的进程进入CPU,并更新新进程PCB
- 更新内存数据
- 恢复CPU环境
进程通信
- 共享存储:通信的进程之间共同直接访问一块共享空间,进行读写操作实现进程间通信(通过PV操作实现互斥同步)。
- 消息传递
- Send发送原语:将消息发送到指定进程。
- Receive接收原语:接收任意进程发来的消息。
- 管道通信:模拟管道信号运输,是一种半双工的通信方式,写进程以字符流形式将大量数据写入管道,读进程从管道中读数据。
线程概念与比较
线程是CPU执行任务的最小单元,是被系统独立调度和分派的最小单位。
4.1 线程和进程的比较
| 方面 | 线程 | 进程 |
|---|---|---|
| 调度 | 独立调度的最小单位 | 资源分配的最小单位 |
| 资源 | 仅拥有必须资源,但可访问所在进程的系统资源 | 拥有执行任务的全部资源 |
| 并发 | 可并发执行 | 可并发执行 |
| 开销 | 仅需保存少量寄存器内容,开销较小 | 创建和撤销进程,都需要系统为其分配和回收资源,开销较大 |
| 空间 | 一个进程的线程对其他进程不可见,一个进程内的线程相互可见 | 进程的地址空间相互独立 |
| 通信 | 线程间可直接操作进程数据段 | 通过进程同步互斥实现 |
4.2 进程和程序的比较
| 方面 | 程序 | 进程 |
|---|---|---|
| 状态 | 一组有序指令集合,静态 | 程序及其数据在计算机上的一次执行活动,动态 |
| 时长 | 一组代码的集合,永久存在 | 程序的依次执行过程,具有一定的生命周期,从创建到终止 |
| 创建 | 程序不可以创建程序 | 进程可以创建进程 |
| 执行 | 一个程序构成多个进程 | 一个进程可以执行多个程序 |
| 构成 | 代码段 | 程序、数据和PCB |
线程实现
5.1 内核级线程
- 线程管理的所有工作都由内核管理,应用程序仅有一个到内核级线程的接口。内核保存着进程中各个线程的状态信息,为其维护着上下文环境。
- 优点:一个线程被阻塞时,其他线程仍可正常工作,并发性良好 。
- 缺点:每创建一个用户级线程都需要一个内核级线程与之对应,开销大性能降低。
5.2 用户级线程
- 线程管理的所有功能都由应用程序完成,内核感受不到多线程的存在。
- 优点:线程的切换不需要转到内核空间,也不需要创建新的内核线程,节省开销。
- 缺点:一个线程被阻塞时,进程的所有线程都被阻塞,不可并行。
线程实现方式
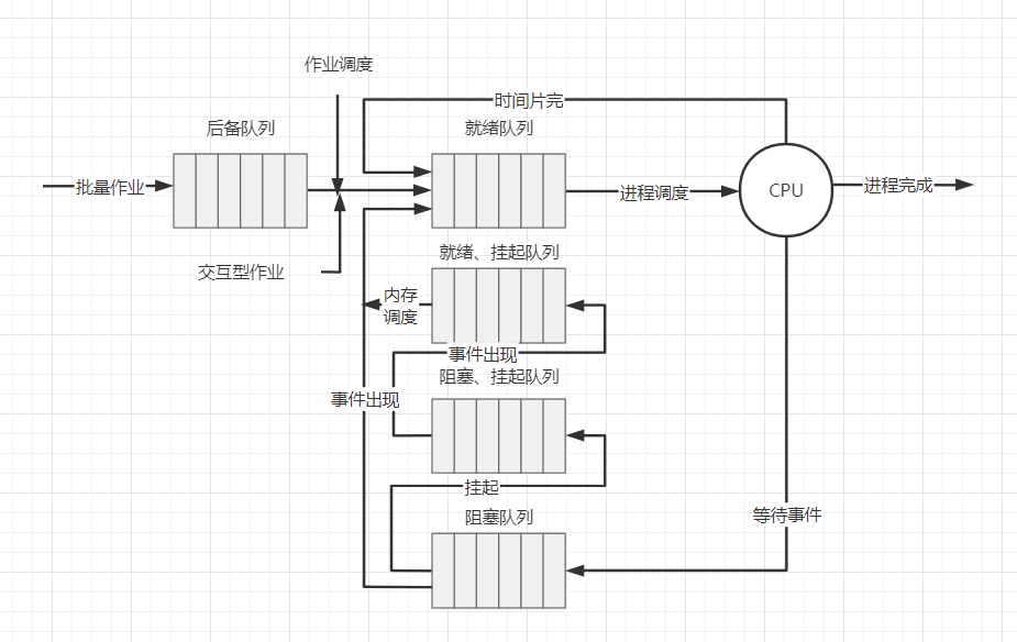
处理机调度
对CPU进行分配,按照一定的算法从就绪队列中选择一个进程进入CPU,进程开始运行,从而实现进程的并发操作。
6.1 调度层次
- 作业调度(高级):指内存和辅存之间的调度,选择后备队列中的作业分配资源,并建立相应的线程。每个作业仅调入一次,调出一次。
- 内存调度(中级):指挂起的进程在内存和外存之间的调度。当内存有空闲时,可重新调入内存,挂在就绪队列上等待。
- 进程调度(低级):按照某种调度算法从就绪队列中选择一个进程并将CPU分配给它,是系统中最基本的调度。
处理机调度流程
6.2 调度算法
调度基本准则:CPU利用率、系统吞吐量、周转时间、等待时间、响应时间。
- FIFO 先进先出
- SJFS 短作业优先
- RR 时间片轮转
- Priority 优先级
- High-Response 高响应比 = (等待时间 + 运行时间)/运行时间
- Multi-Return 多反馈队列
进程同步
7.1 基本概念
- 指协调不同进程之间的相互制约关系。
- 临界区:访问临界资源的代码片段。
- 临界资源:一次仅允许一个进程使用的资源。
- 同步:直接制约关系,进程之间相互合作。
- 同步机制准则: 空闲让进、忙则等待、有限等待、让权等待
- 互斥:间接制约关系,一个进程进入临界区,另一进程必须等待。
- 同步机制准则: 空闲让进、忙则等待、有限等待、让权等待
- 信号量:相当于旗帜,表明关键代码段能否并发调用。
- 管程:代表共享资源的数据结构,管理共享变量以及操作过程。
7.2 经典同步问题
- 生产者——消费者
- 读者、写者
- 哲学家进餐
- 苹果橘子
- 理发师理发
- 独木桥
- 吸烟者
- 公交车
- 飞机票


